Versandkosten ab € 8,95
Ab 250 € Versandkostenfrei *
Schnelle Lieferzeit
Sichere SSL Verbindung

Kunstoff-Scharnier, asymetrisch 90 x 60 mm Black Line

8,95 €*

Voraussichtlich verfügbar in 4 Tagen

Stück
Artikelnummer: MAR0090
EAN: 4022697768670

Kunstoff-Scharnier, asymmetrisch 90x60mm Black Line – Anwendungsbeispiele im maritimen Bereich

Das Kunstoff-Scharnier 90x60mm Black Line ist ideal für den maritimen Einsatz. Mit seiner robusten Bauweise und Korrosionsbeständigkeit eignet es sich perfekt für verschiedene Anwendungen:

  • Yacht- und Bootstüren: Bietet eine stabile Verbindung für Türen, die Feuchtigkeit und salzhaltiger Luft standhält.

  • Laderaumabdeckungen: Eignet sich für sichere und leicht zu öffnende Laderaumabdeckungen auf Schiffen.

  • Fenster- und Klappenverbindungen: Garantiert eine langlebige Funktionalität unter rauen maritimen Bedingungen.

  • Decksboxen und Stauräume: Sorgt für sicheren Zugang zu Stauraum an Bord und hält extremen Belastungen stand.

Fazit: Das Kunstoff-Scharnier 90x60mm Black Line ist eine perfekte Lösung für Boote und Schiffe, die Langlebigkeit und Stabilität erfordern.


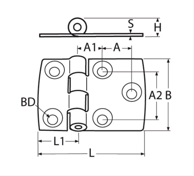
Technische Daten

  • Länge 1 (L1) :30 mm

  • Achsabstand 1 (A1) :18 mm

  • Artikelgruppe :Scharnier

  • Breite (B) :60 mm

  • Stärke (S) :6.5 mm

  • Höhe (H) :13.5 mm

  • Werkstoff-Nr. :1.4401

  • Material :Edelstahl A4 / Polyamid - AISI 316

  • Achsabstand (A) :30 mm

  • Bohrloch-Durchmesser (BD) :6.4 mm

  • Hinweistext : Die Scharniere bestehen aus Polyamid mit 30% Glasfaseranteil. Die Stifte bestehen aus Edelstahl A4 AISI-316.

  • Achsabstand 2 (A2) :36 mm

  • Länge (L) :90 mm

Hersteller "Marinetech"

📧 E-Mail:  info@marinetech.de

📍 Kontakt: Marschgehren 16 | D-28779 Bremen


Marinetech ist einer der größten Anbieter von hochwertigen Edelstahl-Produkten in Europa.

Schäkel, Wirbel, Karabinerhaken, Ketten, Verbinder, Klampen, Schrauben, Bolzen und vieles mehr: Bei uns finden Sie sämtliche Verbindungselemente aus rostfreiem Edelstahl. Vom Drahtseil bis zum Haken, über Griffe, Ringe und Scharniere liefert Marinetech alles was festhält, spannt und lenkt. Für den Boots- und Yachtbau ebenso wie für Architektur oder den DIY-Bereich.

0 von 0 Bewertungen

Bewerten Sie dieses Produkt!

Teilen Sie Ihre Erfahrungen mit anderen Kunden.


Weitere Produkte von +++ Marinetech +++ ansehen

Marinetech
📧 E-Mail:  info@marinetech.de 📍 Kontakt: Marschgehren 16 | D-28779 Bremen Marinetech ist einer der größten Anbieter von hochwertigen Edelstahl-Produkten in Europa. Schäkel, Wirbel, Karabinerhaken, Ketten, Verbinder, Klampen, Schrauben, Bolzen und vieles mehr: Bei uns finden Sie sämtliche Verbindungselemente aus rostfreiem Edelstahl. Vom Drahtseil bis zum Haken, über Griffe, Ringe und Scharniere liefert Marinetech alles was festhält, spannt und lenkt. Für den Boots- und Yachtbau ebenso wie für Architektur oder den DIY-Bereich.
%
Bock Scharnier, Edelstahl

8,95 €* 26,00 €* (65.58% gespart)
%
Klavierband 20 mm x 1000 mm (mit Bohrung)

16,95 €* 27,95 €* (39.36% gespart)
%
Klavierband 25 mm x 1000 mm (mit Bohrung)

17,95 €* 28,95 €* (38% gespart)
%
Klavierband 32 mm x 1000 mm (mit Bohrung)

18,95 €* 29,95 €* (36.73% gespart)
%
Klavierband 40 mm x 1000 mm (mit Bohrung)

17,95 €* 30,95 €* (42% gespart)
%
Lukenschanier Edelstahl, 67 x 73 mm

Varianten ab 21,95 €*
22,95 €* 33,00 €* (30.45% gespart)
%
Lukenschanier Edelstahl, 88 x 73 mm

21,95 €* 27,13 €* (19.09% gespart)
Barrierefreiheit