Blue Sea Sicherungshalter AMI/MIDI 200A / 32V – Maximale Sicherheit für Ihre Bordelektrik
Der Blue Sea Sicherungshalter für AMI- und MIDI-Sicherungen (Modell BS 7720) bietet eine zuverlässige und normgerechte Absicherung elektrischer Systeme an Bord. Entwickelt für den Einsatz unter anspruchsvollen maritimen Bedingungen, überzeugt dieser Sicherungsblock durch robuste Bauweise, hohe Belastbarkeit und geprüfte Sicherheit nach ABYC- und USCG-Standards.
Mit einer maximalen Strombelastbarkeit von 200 A bei 32 V ist dieser Sicherungshalter ideal für leistungsstarke Verbraucher und Hauptstromkreise auf Schiffen und Booten. Die integrierte Isolierabdeckung schützt die Sicherung zuverlässig vor Feuchtigkeit, Schmutz und mechanischen Einflüssen – perfekt für den Einsatz in rauer Umgebung auf See.
✔ Bis 200 A – Für starke Stromkreise
✔ AMI/MIDI kompatibel – Flexible Nutzung
✔ Isolierabdeckung – Schutz vor Umwelteinflüssen
✔ ABYC & USCG konform – Geprüfte Sicherheit
✔ Flexible Kabelzuführung – In alle Richtungen
✔ Sicher für Benzinboote – Zündgeschützt
✔ Robuste Bauweise – Ideal für Marineeinsatz
Zuverlässige Absicherung Ihrer Bordelektrik
Der Blue Sea Sicherungshalter sorgt für eine sichere und stabile Verbindung in Ihrem Bordnetz. Die hochwertige Konstruktion gewährleistet eine dauerhafte Kontaktqualität und minimiert Übergangswiderstände – ein entscheidender Faktor für effiziente Energieverteilung und Schutz Ihrer elektrischen Komponenten.
Die abgedichtete Abdeckung schützt die eingesetzte Sicherung vor äußeren Einflüssen wie Feuchtigkeit, Salz und Schmutz. Gleichzeitig erfüllt der Isolierdeckel die strengen Anforderungen von ABYC und USCG und bietet damit ein Höchstmaß an Sicherheit an Bord.
Perfekt geeignet für Hauptstromleitungen, Batteriekreise, Ladegeräte, Inverter oder Bugstrahlruder – überall dort, wo hohe Ströme sicher abgesichert werden müssen.
Technische Daten
Maximale Stromaufnahme: 200A
Maximale Spannung: 32 V DC
empfohlener Anzugsdrehmoment des Batterieanschlussbolzen: 13.56 Nm
Empfohlenes Schraubenanzugsmoment: 3.05 Nm
Batterieklemme: M5
Größe Klemmbolzen: 5/16" (M8)
Blue Sea Original Nummer: BS7720
Für Boote und Yachten besuchen Sie unsere Homepage www.gruendl.de
Wasserdichter Stecksicherungshalter aus Gummi bis max. 20 A – Zuverlässiger Schutz für maritime Anwendungen
✔ Wasserdicht: Perfekter Schutz vor Feuchtigkeit und Umwelteinflüssen.
✔ Hochwertiges Material: Gefertigt aus strapazierfähigem Thermogummi.
✔ Kompatibel: Geeignet für Standard-Torpedosicherungen.
✔ Robust und kompakt: Ideal für anspruchsvolle maritime Bedingungen.
✔ Einfache Installation: Mit zwei 130 mm langen Drähten, 4 mm² Querschnitt.
Zuverlässiger Schutz für elektrische Systeme auf Booten und Yachten
Der wasserdichte Stecksicherungshalter aus Gummi ist speziell für den Einsatz in maritimen Umgebungen entwickelt. Seine robuste Konstruktion sorgt für sicheren Betrieb und schützt vor Korrosion und Feuchtigkeit, selbst unter widrigen Bedingungen.
Sicherung von Stromkreisen: Optimal für elektrische Systeme an Bord.
Wasserdicht: Geeignet für Außenbereiche oder feuchte Innenräume.
Flexible Nutzung: Einfache Integration als fliegender Sicherungshalter.
Vertrauen Sie auf den wasserdichten Stecksicherungshalter, um Ihre elektrischen Systeme sicher und zuverlässig zu schützen – Qualität, auf die Sie sich verlassen können!
Investieren Sie in Sicherheit – mit unserem wasserdichten Stecksicherungshalter aus Gummi.
Für Boote und Yachten besuchen Sie unsere Homepage www.gruendl.de
Stecksicherungshalter bis max. 30 A – Zuverlässiger Schutz für elektrische Systeme auf Schiffen und Yachten
Der Stecksicherungshalter bis 30 A ist eine zuverlässige Lösung zum Schutz elektrischer Anlagen auf Booten, Yachten und Schiffen. Er ermöglicht eine sichere Integration von Feinsicherungen in Bordstromkreise und schützt empfindliche elektrische Systeme zuverlässig vor Überlastung, Kurzschluss oder Spannungsspitzen.
Durch seine einfache Stecktechnik lässt sich der Sicherungshalter schnell installieren und ermöglicht einen unkomplizierten Austausch der Sicherung im Wartungsfall. Gerade im maritimen Umfeld, in dem elektrische Systeme zuverlässig funktionieren müssen, ist eine schnelle und einfache Wartung besonders wichtig.
Der Sicherungshalter ist kompatibel mit Feinsicherungen der Größe 6 × 30 mm sowie 6,3 × 32 mm und unterstützt eine maximale Strombelastung von bis zu 30 Ampere bei 32 V DC. Dadurch eignet er sich ideal für zahlreiche Anwendungen in der Bordelektrik.
Das robuste Kunststoffgehäuse schützt die elektrische Verbindung zuverlässig vor mechanischen Belastungen, Feuchtigkeit und Vibrationen – typische Einflüsse, denen elektrische Installationen auf Booten ausgesetzt sind. Gleichzeitig sorgt die kompakte Bauform dafür, dass sich der Halter problemlos auch in engen Installationsräumen integrieren lässt.
✔ Sicherungshalter bis 30 A für Bordstromsysteme
✔ Passend für Feinsicherungen 6×30 / 6,3×32 mm
✔ Robustes, isolierendes Kunststoffgehäuse
✔ Steckanschluss für schnelle Installation
✔ Kompakte Bauweise für enge Einbauräume
✔ Ideal für Navigation, Licht und Bordgeräte
Auf Segelyachten, Motorbooten und Arbeitsschiffen wird der Stecksicherungshalter häufig zur Absicherung von Beleuchtungssystemen, Navigationsgeräten, Pumpen, Instrumenten oder weiteren Bordverbrauchern eingesetzt. Er trägt dazu bei, die Sicherheit der gesamten elektrischen Anlage zu erhöhen und teure Geräte zuverlässig zu schützen.
Dank seiner hohen Belastbarkeit, einfachen Installation und langlebigen Konstruktion ist der Stecksicherungshalter bis 30 A ein unverzichtbares Bauteil für eine sichere und zuverlässige Bordelektrik.
Technische Daten
Maximale Stromstärke: Bis 30 A
Kompatibilität: Für Feinsicherungen 6 x 30 mm / 6,3 x 32 mm
Material: Robustes, isolierendes Kunststoffgehäuse
Anschlussart: Steckanschluss für einfache Installation und Wartung
Max. Spannung: 32 V DC
Maße: Kompakt und platzsparend, passend für gängige Installationen auf Schiffen und Yachten
Für Boote und Yachten besuchen Sie unsere Homepage www.gruendl.de
ANL Schmelzsicherung – Zuverlässige Sicherungslösung für Hochstromanwendungen
Die Schmelzsicherung ist eine bewährte, professionelle und kostengünstige Möglichkeit, das Bordnetz sicher abzusichern – ideal für den Einsatz unmittelbar hinter der Batterie. Sie eignet sich auch hervorragend für den Schutz von Hochstromverbrauchern wie Bugstrahlrudern.
DIN 43560/1: Sicherungsstreifen gemäß Standardnorm für hohe Zuverlässigkeit und Sicherheit.
Keramikgehäuse: Robustes, hitzebeständiges Gehäuse mit langer Lebensdauer.
Visuelle Überprüfung: Ausgestattet mit einem Sichtfenster, um das Schmelzelement schnell und einfach zu kontrollieren.
Hochstromfähig: Speziell für Anwendungen mit hohen Strombelastungen wie Bordnetze und Bugstrahlruder konzipiert.
Warum die Schmelzsicherung?
Die Schmelzsicherung kombiniert ein robustes Design mit einfacher Handhabung und hoher Sicherheit. Sie schützt das Bordnetz effektiv vor Überlastungen und bietet dank ihres Sichtfensters eine schnelle Möglichkeit zur Statusüberprüfung. Die ideale Lösung für anspruchsvolle Anwendungen!
Für Boote und Yachten besuchen Sie unsere Homepage www.gruendl.de
Schmelzsicherungshalter – Robuste und sichere Lösung für Hochleistungssicherungen
Der Schmelzsicherungshalter ist eine zuverlässige Komponente für Hochleistungssicherungen. Hergestellt aus hitzebeständigem Kunststoff und ausgestattet mit einem abnehmbaren, transparenten Schutzdeckel, bietet er sowohl Schutz als auch einfache Wartung. Seine großzügige Basis von 95 x 42 mm ermöglicht eine stabile Montage in verschiedenen Anwendungen.
Hauptmerkmale auf einen Blick
Hochwertiges Material: Aus hitzebeständigem Kunststoff, ideal für Hochleistungsanwendungen und anspruchsvolle Einsatzbedingungen.
Transparentes Design: Der abnehmbare, transparente Schutzdeckel erleichtert die visuelle Inspektion und den schnellen Austausch der Sicherung.
Stabile Konstruktion: Mit einer Basisgröße von 95 x 42 mm für eine sichere und stabile Befestigung.
Einfache Handhabung: Der abnehmbare Deckel ermöglicht eine unkomplizierte Wartung und Installation.
Warum der Schmelzsicherungshalter?
Mit seiner robusten und durchdachten Bauweise ist der Schmelzsicherungshalter eine zuverlässige Wahl für anspruchsvolle elektrische Systeme. Er bietet nicht nur einen effektiven Schutz, sondern auch eine einfache Wartung, wodurch Sicherheit und Effizienz gewährleistet werden.
Blue Sea ATO/ATC Flachsicherung – Zuverlässiger Schutz für Ihre Bordelektrik
Die Blue Sea ATO/ATC Flachsicherungen bieten zuverlässigen Schutz für elektrische Systeme auf Booten, Yachten und anderen maritimen Anwendungen. Dank der verzinnten Kontakte sind sie besonders korrosionsbeständig und somit ideal für den Einsatz in feuchten und salzhaltigen Umgebungen.
Diese superflinken Sicherungen sind speziell für elektronische Geräte konzipiert und gewährleisten eine schnelle Reaktionszeit, um empfindliche Komponenten zuverlässig vor Überlastungen und Kurzschlüssen zu schützen. Gleichzeitig eignen sie sich als Standard-Stromkreisschutz für Automobile, LKW und andere Fahrzeuge, was sie besonders vielseitig macht.
Die ATO/ATC-Flachsicherungen sind in verschiedenen Stromstärken erhältlich, sodass sie optimal auf Ihre individuellen Anforderungen abgestimmt werden können. Ihre kompakte Bauweise ermöglicht eine einfache Installation in gängigen Sicherungshaltern und -kästen.
✔ Korrosionsbeständig: Verzinnte Kontakte für zuverlässige Leistung in maritimen Umgebungen
✔ Superflink: Schnelle Reaktionszeit zum Schutz empfindlicher Elektronik
✔ Vielseitig einsetzbar: Ideal für Boote, Yachten, Automobile & LKW
✔ Einfache Installation: Standardgröße für gängige Sicherungshalter
✔ Robust & langlebig: Optimal für anspruchsvolle Einsatzbereiche
Die Blue Sea ATO/ATC Sicherungen sind speziell für die Herausforderungen auf See ausgelegt. Sie schützen Bordelektronik, Navigationssysteme, Pumpen und weitere elektrische Komponenten zuverlässig vor Schäden durch Überspannung und Kurzschluss. Besonders in der salzhaltigen Meeresluft bleibt die Leistung dank der verzinnten Kontakte dauerhaft erhalten.
Superflinke Sicherungen ideal für elektronische Geräte
Standard-Stromkreisschutz für Automobile und LKW
Verzinnte Kontakte für gute Korrosionsbeständigkeit
Verpackungsinhalt: 2 Stück
Technische Daten
Maximalspannung: 32 V DC
Ausschaltvermögen: 1000 A
Gewicht: 0.01 kg
Blue Sea Original Nummer: BS5242
Für Boote und Yachten besuchen Sie unsere Homepage www.gruendl.de
Sicherungsautomat mit Kappe – Zuverlässiger 12V-Schutz für Ihre Bordelektrik
Dieser Sicherungsautomat mit Kappe ist die perfekte Lösung für den Schutz Ihrer elektrischen Bordkomponenten. Speziell entwickelt für den maritimen Einsatz, bietet der Sicherungsautomat 12V höchste Sicherheit bei der Stromkreisabsicherung auf Booten und Yachten. Die transparente, wasserdichte Silikonkappe schützt den Auslösemechanismus zuverlässig vor Feuchtigkeit, Schmutz und Korrosion – ideal für den Einsatz in rauer Umgebung.
Als Marine Sicherungsautomat eignet sich dieses Modell besonders gut zur Absicherung von Verbrauchern wie Pumpen, Navigationslichtern, Kühlsystemen oder Steuerungselektronik. Dank seiner kompakten Bauform passt er problemlos in jede Schalttafel auf dem Boot. Im Fehlerfall kann der Sicherungsschalter 12 Volt ganz einfach wieder eingeschaltet werden – eine klassische wieder einschaltbare Sicherung, die Zeit spart und die Betriebssicherheit erhöht.
Egal, ob als Sicherungsschalter mit Kappe, Bootselektrik Sicherung oder Bordelektrik Schutzschalter – dieser wasserdichte Sicherungsautomat sorgt für zuverlässige Funktion Ihrer Technik an Bord.
✔ 12V Sicherungsautomat mit wasserdichter Kappe
✔ Transparente Silikonkappe schützt vor Feuchtigkeit
✔ Wieder einschaltbar – kein Sicherungstausch nötig
✔ Kompakt – ideal für Bootsschalttafeln
✔ Schutz vor Korrosion, Spritzwasser & Staub
✔ Perfekt für Pumpen, Beleuchtung & Elektronik
✔ Geeignet für Bordstromkreise & Außenbereiche
✔ Robuste Bauweise für maritime Anforderungen
Dieser Sicherungsautomat Boot eignet sich hervorragend für den Einsatz in 12V-Bordnetzen von Segel- und Motorbooten. Er schützt zuverlässig alle elektrischen Verbraucher und lässt sich dank der Silikonkappe auch in feuchten Bereichen wie im Cockpit oder Maschinenraum problemlos installieren.
Abmessungen:
31 x 14,5 x 35 mm, Bohrung 12 mmØ
Für Boote und Yachten besuchen Sie unsere Homepage www.gruendl.de
6er Sicherungskasten, 92 x 66 mm – Kompakter Schutz für elektrische Installationen
Der Osculati Sicherungskasten überzeugt durch seine robuste Bauweise aus widerstandsfähigem Polycarbonat und ist ideal für anspruchsvolle Anwendungen. Mit einer mattierten Abdeckung für diskreten Schutz und einer integrierten Masseschiene ist er die perfekte Lösung für die Organisation und Absicherung elektrischer Stromkreise.
Technische Daten
Material: Gehäuse aus widerstandsfähigem Polycarbonat mit langlebiger, mattierter Abdeckung.
Schraubanschlüsse-Ø: 4 mm, passend für vielseitige Kabelverbindungen.
Bolzen-Ø: 8 mm für stabile Hauptanschlüsse.
Maximale Stromstärke: 30 A pro Stromkreis, gesamt max. 100 A.
Maximale Spannung: 32 V DC, geeignet für Niederspannungsanwendungen.
Abmessungen: 92 x 66 mm, kompakt und platzsparend.
Hauptmerkmale auf einen Blick
Integrierte Masseschiene: Ermöglicht eine saubere und effiziente Verteilung der Masseleitungen.
Langlebige Konstruktion: Das Polycarbonat-Gehäuse bietet hohe Widerstandsfähigkeit gegenüber mechanischen Belastungen und Umwelteinflüssen.
Mattierte Abdeckung: Schützt die internen Komponenten vor Schmutz und Feuchtigkeit und ermöglicht dennoch eine dezente Optik.
Hohe Belastbarkeit: Bis zu 30 A je Stromkreis, ideal für moderne elektrische Systeme.
Warum der Osculati Sicherungskasten?
Der Osculati Sicherungskasten bietet ein durchdachtes Design, das Robustheit mit Funktionalität verbindet. Dank der integrierten Masseschiene und der hohen Belastbarkeit ist er die ideale Wahl für kompakte und zuverlässige elektrische Installationen.
Für Boote und Yachten besuchen Sie unsere Homepage www.gruendl.de
Stecksicherungshalter bis max. 30 A – Zuverlässiger Schutz für elektrische Systeme auf Schiffen und Yachten
Der Stecksicherungshalter bis max. 30 A ist eine leistungsstarke und sichere Lösung zum Schutz Ihrer elektrischen Systeme auf Booten und Yachten. Dieser praktische Sicherungshalter bietet eine einfache Möglichkeit, Feinsicherungen zu integrieren und so Ihre Stromkreise vor Überlastungen oder Kurzschlüssen zu schützen. Durch seine benutzerfreundliche Stecktechnik und hohe Belastbarkeit ist er ideal für den Einsatz auf Wasserfahrzeugen geeignet, die besonderen Anforderungen an Sicherheit und Zuverlässigkeit stellen.
Technische Daten
Maximale Stromstärke: Bis 30 A
Kompatibilität: Für Feinsicherungen 6 x 30 mm / 6,3 x 32 mm
Material: Robustes, isolierendes Kunststoffgehäuse
Anschlussart: Steckanschluss für einfache Installation und Wartung
Max. Spannung: 32 V DC
Maße: Kompakt und platzsparend, passend für gängige Installationen auf Schiffen und Yachten
Hauptmerkmale auf einen Blick
Einfacher Anschluss: Der Stecksicherungshalter ermöglicht eine unkomplizierte Installation und einen schnellen Austausch der Sicherungen, ideal für den Einsatz auf Booten und Yachten, wo Zuverlässigkeit und einfache Wartung gefragt sind.
Hohe Strombelastbarkeit: Mit einer maximalen Stromstärke von 30 A schützt dieser Sicherungshalter Ihre elektrischen Systeme auch unter anspruchsvollen Bedingungen und bei hohem Stromverbrauch.
Platzsparend: Kompakte Bauweise sorgt für eine einfache Integration in den elektrischen Aufbau Ihrer Yacht oder Ihres Schiffes.
Robustes Gehäuse: Das isolierende Kunststoffgehäuse bietet sicheren Schutz vor Feuchtigkeit, Stößen und Vibrationen, die auf Wasserfahrzeugen üblich sind.
Vielseitige Verwendung: Geeignet für den Einsatz in verschiedenen elektrischen Installationen an Bord, wie Beleuchtung, Navigationssystemen und weiteren wichtigen Geräten.
Warum der Stecksicherungshalter bis max. 30 A?
Dank seiner einfachen Steckinstallation, hohen Strombelastbarkeit und robusten Bauweise ist der Stecksicherungshalter bis max. 30 A eine ideale Wahl für die Sicherung elektrischer Systeme auf Yachten und Schiffen. Er schützt nicht nur Ihre teuren elektronischen Geräte und Steuerungen, sondern sorgt auch für eine schnelle und unkomplizierte Wartung, um Ihre Energieversorgung an Bord jederzeit sicherzustellen.
Für Boote und Yachten besuchen Sie unsere Homepage www.gruendl.de
Wasserfester Glassicherungshalter – Sicher und geschützt für Feinsicherungen 6,2 x 32 mm
Der wasserfeste Glassicherungshalter ist die ideale Lösung für den sicheren Einsatz von Feinsicherungen der Größe 6,2 x 32 mm in feuchten oder anspruchsvollen Umgebungen. Dank seines robusten und spritzwassergeschützten Designs (Schutzart IP65) schützt er zuverlässig vor Feuchtigkeit, Staub und anderen äußeren Einflüssen.
Hauptmerkmale auf einen Blick
Kompatibilität: Entwickelt für Feinsicherungen mit den Maßen 6,2 x 32 mm.
Wasserfestes Design: Mit Schutzart IP65 ideal für den Einsatz in feuchten oder nassen Umgebungen.
Hochwertige Materialien: Robustes Gehäuse für eine lange Lebensdauer und hohe Belastbarkeit.
Einfache Montage: Schnelle Integration in elektrische Schaltungen, auch in schwierigen Umgebungen.
Sichere Verbindung: Sorgt für festen Halt und eine zuverlässige Funktion der Sicherung.
Warum der wasserfeste Glassicherungshalter?
Dieser Sicherungshalter bietet höchste Zuverlässigkeit und Schutz, selbst unter extremen Bedingungen. Mit seinem wasserfesten Gehäuse und seiner robusten Konstruktion ist er die perfekte Wahl für den Einsatz in anspruchsvollen Umgebungen, in denen Feuchtigkeit und Schmutz eine Rolle spielen.
Stecksicherung – Zuverlässiger Schutz vor Überlastung und Kurzschluss
Zuverlässiger Schutz für die Bordelektrik
Die rote Stecksicherung (Flachstecksicherung) ist ein unverzichtbares Sicherheitselement für elektrische Systeme. Sie schützt zuverlässig vor Überlastungen und Kurzschlüssen, die ansonsten zu Schäden an Kabeln, Verbrauchern oder der gesamten Bordelektrik führen könnten.
Gerade in maritimen Umgebungen sind elektrische Anlagen starken Belastungen ausgesetzt. Die Stecksicherung sorgt dafür, dass im Falle einer Störung der Stromkreis sofort unterbrochen wird, bevor empfindliche Komponenten beschädigt werden. Dadurch erhöht sie die Betriebssicherheit und Lebensdauer Ihrer elektrischen Anlage deutlich.
Die Sicherung lässt sich dank ihres standardisierten Flachsteckdesigns schnell und unkompliziert in passende Sicherungshalter einsetzen. Bei Bedarf kann sie ebenso einfach wieder ausgetauscht werden, sodass Wartung oder Reparaturen ohne großen Aufwand möglich sind.
Gefertigt aus robusten und langlebigen Materialien, bleibt die Sicherung auch unter anspruchsvollen Bedingungen zuverlässig funktionsfähig. Damit ist sie ideal für den Einsatz in Fahrzeugen, mobilen Systemen und insbesondere in der Bordelektrik von Booten und Yachten geeignet.
✔ Schutz vor Kurzschluss und elektrischer Überlastung
✔ Ideal für 12-V Bordelektrik auf Booten
✔ Standard Flachstecksicherung für viele Systeme
✔ Schneller Austausch bei Wartung oder Defekt
✔ Robuste Ausführung für lange Lebensdauer
✔ Passend für KFZ-, Marine- und Caravantechnik
✔ Sichere Stromabsicherung empfindlicher Geräte
Die Stecksicherung wird häufig in 12-Volt Bordnetzsystemen eingesetzt und schützt zahlreiche elektrische Verbraucher an Bord, beispielsweise:
Navigationsgeräte und Kartenplotter
Beleuchtungssysteme und Positionslichter
Bilgenpumpen und Frischwasserpumpen
Instrumente und Bordelektronik
Ladegeräte, Steckdosen und Zubehör
Durch ihre zuverlässige Schutzfunktion trägt die Stecksicherung entscheidend dazu bei, Kurzschlussschäden und elektrische Ausfälle auf Booten und Yachten zu vermeiden. Sie ist daher ein wichtiger Bestandteil jeder sicheren Bordelektrik.
Für Boote und Yachten besuchen Sie unsere Homepage www.gruendl.de
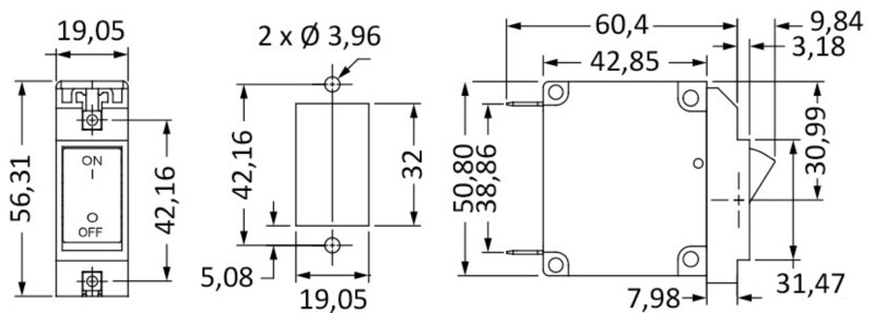
⚡ Airpax / Sensata Schutzschalter – Hydraulisch-magnetischer Kippschalter für maximale Sicherheit an Bord
Der Airpax / Sensata Schutzschalter mit herausragendem Kippschalter-Hebel wurde speziell für die hohen Anforderungen an Bord von Yachten, Segelbooten und Motorbooten entwickelt. Dieser hydraulisch-magnetische Schutzschalter vereint höchste Sicherheitsstandards mit einer komfortablen Bedienung und ermöglicht die zuverlässige Absicherung Ihrer elektrischen Bordnetze.
Mit seiner automatisch rückstellbaren Sicherung reagiert der Schalter präzise auf Überlastungen und Kurzschlüsse – er unterbricht blitzschnell den Stromkreis und schützt damit empfindliche Geräte und Installationen. Dank der intelligenten Technologie kann der Schutzschalter kurzzeitige Überlastungen von bis zu 50 % für einige Sekunden tolerieren, ohne sofort abzuschalten. Das sorgt für einen störungsfreien Betrieb, auch bei temporären Spannungsspitzen.
Sobald die Störung behoben ist, kehrt der Schalter automatisch in den Normalbetrieb zurück. Bei schwerwiegenden Fehlern wie einem Kurzschluss ist die Betätigung des Schalters blockiert, bis das Problem behoben ist – eine zusätzliche Sicherheitsfunktion, die speziell für maritime Anforderungen entwickelt wurde.
Hydraulisch-magnetische Technik – zuverlässig bei Überlast und Kurzschluss
Herausragender Kippschalter – einfache Bedienung auch bei Seegang
Automatische Rückstellung – schnelle Wiederaufnahme des Betriebs nach Fehlerbehebung
Temporäre Toleranz bei Überlastung – schützt vor unnötigen Ausfällen
Entwickelt für maritime Bordnetze – robust, langlebig und sicher
Ideal zur Absicherung von Stromkreisen in 12 V- oder 24 V-Bordnetzen. Unverzichtbar auf Segelyachten, Motorbooten und in jedem Bordelektriksystem, in dem Sicherheit, Zuverlässigkeit und schnelle Reaktion im Ernstfall entscheidend sind.
Technische Daten:
19 x 50 x 41 mm
DC / AC 12 / 220 V
Serie IAG universal 12/220 V
Frontaleinbau in Abdeckplatte, Ø mm 16
Für Boote und Yachten besuchen Sie unsere Homepage www.gruendl.de
Sicherungshalter mit Schraubverschluss – Zuverlässiger Schutz für Ihre Bordelektrik
Der Sicherungshalter mit Schraubverschluss ist eine zuverlässige und langlebige Lösung zur sicheren Aufnahme von Feinsicherungen in elektrischen Anlagen. Durch seine robuste Konstruktion und den praktischen Schraubmechanismus sorgt er dafür, dass Sicherungen auch unter anspruchsvollen Bedingungen fest und zuverlässig an ihrem Platz bleiben.
Der Halter ist kompatibel mit den gängigen Feinsicherungsgrößen 6 × 30 mm sowie 6,3 × 32 mm, wodurch er vielseitig in unterschiedlichen elektrischen Anwendungen eingesetzt werden kann. Der Schraubverschluss gewährleistet einen festen Sitz der Sicherung und verhindert zuverlässig ein unbeabsichtigtes Lösen – selbst bei Vibrationen, Erschütterungen oder starken Belastungen.
Gefertigt aus hochwertigem und widerstandsfähigem Material, überzeugt der Sicherungshalter durch seine hohe Stabilität und lange Lebensdauer. Dadurch eignet er sich ideal für den Einsatz in maritimen, industriellen oder privaten Elektroinstallationen.
Dank seiner kompakten Bauweise lässt sich der Sicherungshalter problemlos in bestehende elektrische Systeme integrieren. Er benötigt nur wenig Platz und bietet gleichzeitig einen optimalen Schutz für die eingesetzten Sicherungen.
Der Sicherungshalter schützt die Sicherung vor mechanischer Belastung, Feuchtigkeit und Lockerung und sorgt damit für eine zuverlässige Absicherung der elektrischen Anlage.
✔ Für Feinsicherungen 6×30 mm und 6,3×32 mm
✔ Schraubverschluss für sicheren Halt
✔ Robuste Bauweise für langlebigen Einsatz
✔ Kompakt für platzsparende Installation
✔ Schutz vor Vibration und Erschütterung
✔ Ideal für Bordelektrik und 12/24V-Systeme
✔ Einfache Montage in elektrische Anlagen
Der Sicherungshalter mit Schraubverschluss wird auf Segelbooten, Motorbooten und Yachten in der Bordelektrik eingesetzt, um elektrische Verbraucher zuverlässig abzusichern. Er eignet sich ideal für 12V- und 24V-Bordnetze, beispielsweise für Beleuchtung, Pumpen, Instrumente oder Ladegeräte und sorgt für eine sichere und stabile Sicherungsaufnahme an Bord.
Produktdetails:
✔ Kompatibel mit Feinsicherungen 6 x 30 mm & 6,3 x 32 mm
✔ Schraubverschluss für sicheren Halt & Schutz
✔ Robustes Material
✔ Kompakte Bauweise
✔ Schutz vor Erschütterungen & starker Beanspruchung
Für Boote und Yachten besuchen Sie unsere Homepage www.gruendl.de
Sicherungsautomat 12 V – Zuverlässiger Schutz für Ihre Bordelektrik
Der 12 V Sicherungsautomat ist eine unverzichtbare Komponente für die sichere Stromversorgung auf Booten und Yachten. Er schützt Ihre elektrische Anlage zuverlässig vor Überlast und Kurzschluss und sorgt dafür, dass empfindliche Verbraucher wie Navigationsgeräte, Beleuchtung oder Pumpen dauerhaft sicher betrieben werden können.
Dank seiner träge ausgelegten Auslösecharakteristik ist dieser Sicherungsautomat optimal auf die Anforderungen im maritimen Bereich abgestimmt. Erst bei einer Überlast von etwa 70 % löst der Automat nach rund 80 Sekunden aus. Dadurch werden kurzfristige Stromspitzen problemlos toleriert, ohne dass es zu unnötigen Abschaltungen kommt – ein großer Vorteil für stabile Bordnetze.
Der Sicherungsautomat eignet sich ideal für den Festeinbau in Armaturenbretter, Schalttafeln oder Stromverteiler. Seine kompakte Bauweise ermöglicht eine einfache Integration auch bei begrenztem Platzangebot. Gleichzeitig gewährleistet die robuste Konstruktion eine lange Lebensdauer und zuverlässige Funktion – selbst unter anspruchsvollen Bedingungen an Bord.
In vielen modernen Schalttafeln wird dieser Typ bereits als Standardlösung eingesetzt, da er Sicherheit, Komfort und einfache Handhabung optimal miteinander verbindet. Nach einer Auslösung kann der Automat schnell und unkompliziert wieder eingeschaltet werden – ohne Austausch von Sicherungen.
✔ 12 V Sicherungsautomat für Festeinbau
✔ Schutz vor Überlast & Kurzschluss
✔ Träge Auslösung für stabile Systeme
✔ Ideal für Schalttafeln & Verteiler
✔ Zuverlässiger Betrieb im Bordnetz
✔ Kompakte Bauform für einfachen Einbau
✔ Verhindert Schäden an Bordelektronik
✔ Perfekt für marine Stromsysteme
Auf Schiffen und Booten übernimmt der Sicherungsautomat eine zentrale Schutzfunktion innerhalb der Bordelektrik. Er sichert einzelne Stromkreise zuverlässig ab und verhindert Schäden durch Überlast oder Kurzschluss.
Typische Einsatzbereiche sind Schalttafeln, Steuerstände, Technikräume oder Stromverteiler an Bord. Besonders bei komplexen elektrischen Anlagen mit mehreren Verbrauchern sorgt der Sicherungsautomat für eine stabile und sichere Energieverteilung.
Durch seine träge Auslösecharakteristik eignet er sich ideal für Anwendungen mit kurzfristigen Lastspitzen, wie z. B. bei Pumpen, Kühlgeräten oder elektrischen Antrieben – und ist damit ein essenzieller Bestandteil jeder modernen Bordinstallation.
Produktdetails:
✔ 12 V Sicherungsautomat zum Festeinbau
✔ Träge Charakteristik – 70 % Überlast / 80 Sek.
✔ Schutz vor Überlast & Kurzschluss
✔ Ideal für Schalttafeln & Stromverteiler
Für Boote und Yachten besuchen Sie unsere Homepage www.gruendl.de
Landanschlusseinheit mit FI-Schalter – 230 V-Sicherheit an Bord
Eine zuverlässige Landstromversorgung ist auf modernen Schiffen und Booten unverzichtbar. Die Landanschlusseinheit mit integriertem FI-Schalter bietet eine professionelle Lösung zur sicheren Einbindung Ihrer 230V-Anlage an Bord. Speziell konzipiert für den maritimen Einsatz auf Booten, Yachten und auch in Wohnmobilen, sorgt diese Einheit für normgerechten Schutz vor Fehlerströmen, Überlast und Kurzschluss.
Herzstück der Einheit ist der kombinierte FI/LS-Schutzschalter. Der 2-polige 16A-Leitungsschutzschalter schützt die Installation zuverlässig vor Überlastung und Kurzschluss, während der integrierte 30 mA Fehlerstromschutzschalter (RCD) Personen und Bordelektrik vor gefährlichen Fehlerströmen absichert. Damit erfüllt die Landanschlusseinheit zentrale Sicherheitsanforderungen für 230V-Systeme im maritimen Umfeld.
Das robuste Kunststoffgehäuse in IP65-Ausführung schützt zuverlässig vor Staub und Strahlwasser – ein entscheidender Vorteil bei der Montage im Cockpitbereich, in Backskisten oder Technikräumen. Die transparente Frontabdeckung ermöglicht eine schnelle Sichtkontrolle des Schaltzustands.
Die Komponenten werden unmontiert geliefert, sodass die fachgerechte Installation individuell durch einen qualifizierten Elektriker erfolgen kann. Dadurch lässt sich die Landanschlusseinheit optimal in bestehende Bordnetze integrieren.
✔ FI/LS-Schalter 16A mit 30mA Schutzfunktion
✔ Schutz vor Kurzschluss und Fehlerströmen
✔ IP65 Gehäuse für maritimen Außeneinsatz
✔ Transparente Abdeckung zur Sichtkontrolle
✔ Ideal für 230V Landstromanlagen an Bord
Die Landanschlusseinheit eignet sich ideal für Segelboote, Motorboote, Yachten und Arbeitsboote mit 230V-Landstromanschluss. Sie wird zwischen CEE-Landanschluss und Bordverteilung installiert und schützt zuverlässig die gesamte Bordelektrik – etwa Ladegeräte, Steckdosen, Boiler oder Klimaanlagen.
Gerade im Hafenbetrieb oder Winterlager ist ein normgerecht abgesichertes Landstromsystem essenziell. Der integrierte FI-Schutz erhöht die Personensicherheit erheblich und reduziert das Risiko elektrischer Schäden durch Feuchtigkeit oder Isolationsfehler im maritimen Umfeld.
Technische Daten:
Spannung: 230V, 50Hz
Schutzschalter: 2-polig
Leitungsschutzschalter: 16A
Fehlerstromschutzschalter: 30mA
Gehäuse: Kunststoff, Schutzart IP65
Maße: 80 x 150 x 98 mm (BxHxT)
Installation: Für eine sichere und ordnungsgemäße Installation muss diese Einheit von einem qualifizierten Fachmann durchgeführt werden.
Der Landanschluss mit FI-Schalter sorgt für eine zuverlässige Stromversorgung an Bord, schützt vor elektrischen Gefahren und ist eine wichtige Sicherheitsmaßnahme. Mit seiner IP65-Schutzart ist er ideal für den Einsatz in maritimen Umgebungen geeignet.
Für Boote und Yachten besuchen Sie unsere Homepage www.gruendl.de
Glassicherung 6,2 x 32 – Feinsicherung für sicheren Geräteschutz an Bord
Die Glassicherung 6,2 x 32 gehört zu den unverzichtbaren Komponenten in der Bordelektrik von Schiffen und Yachten. Auch bekannt als Feinsicherung oder Geräteschutzsicherung (GS-Sicherung), schützt sie elektrische Kleingeräte zuverlässig vor Überlastung und Kurzschlüssen.
Die Sicherung besteht aus einem Glasröhrchen mit zwei Metallkappen und einem innenliegenden Schmelzdraht. Je nach Ausführung ist dieser Draht unterschiedlich stark ausgelegt und schmilzt im Fall einer Überlastung oder eines Defekts durch. Ein sofort sichtbarer Bruch oder Verschmoren des Drahtes zeigt klar an, dass die Sicherung ausgetauscht werden muss.
Dank ihres genormten Formats von 6,2 x 32 mm ist diese Feinsicherung vielseitig einsetzbar und eignet sich optimal für Bootselektrik, Bordgeräte oder andere maritime Anwendungen, bei denen Sicherheit oberste Priorität hat.
Austausch und Kompatibilität
Beim Austausch von Glassicherungen ist es entscheidend, eine identische Sicherung zu verwenden. Nennstrom, Nennspannung und Auslösecharakteristik müssen mit der defekten Sicherung übereinstimmen, um sicheren und effektiven Geräteschutz zu gewährleisten.
Einsatzbereiche
Glassicherungen finden nicht nur in Kleingeräten, sondern auch in Autos, Motorrädern, Motorrollern, Booten und Flugzeugen Anwendung. Es ist ratsam, sich im Voraus über die verbauten Sicherungen zu informieren und Ersatzsicherungen im Handschuhfach oder Bordwerkzeug bereitzuhalten.
Glassicherungen/Feinsicherungen sind unverzichtbare Komponenten, die Ihre Geräte zuverlässig schützen und ihre Langlebigkeit sicherstellen.
Für Boote und Yachten besuchen Sie unsere Homepage www.gruendl.de
Glassicherung 5,0 x 20, 15 A
Glassicherungen / Feinsicherungen - Wichtiger Schutz zur Absichrung
Glassicherungen, auch bekannt als Feinsicherungen oder Geräteschutzsicherungen (GS-Sicherungen), sind wesentliche Komponenten in vielen Kleingeräten. Sie bestehen aus einem Glasröhrchen mit zwei Metallkappen und einem Schmelzdraht, dessen Stärke je nach Sicherung variiert. Ein defekter Schmelzdraht, der im Glasröhrchen unterbrochen oder verschmort ist, zeigt an, dass die Sicherung ausgetauscht werden muss.
Austausch und Kompatibilität
Beim Austausch von Glassicherungen ist es entscheidend, eine identische Sicherung zu verwenden. Nennstrom, Nennspannung und Auslösecharakteristik müssen mit der defekten Sicherung übereinstimmen, um sicheren und effektiven Geräteschutz zu gewährleisten.
Einsatzbereiche
Glassicherungen finden nicht nur in Kleingeräten, sondern auch in Autos, Motorrädern, Motorrollern, Booten und Flugzeugen Anwendung. Es ist ratsam, sich im Voraus über die verbauten Sicherungen zu informieren und Ersatzsicherungen im Handschuhfach oder Bordwerkzeug bereitzuhalten.
Glassicherungen/Feinsicherungen sind unverzichtbare Komponenten, die Ihre Geräte zuverlässig schützen und ihre Langlebigkeit sicherstellen.
AIRPAX / SENSATA hydraulisch-magnetischer Kippschalter - Intelligenter Sicherungsschutz mit automatischer Rückstellung
Der hydraulisch-magnetische Kippschalter von AIRPAX / SENSATA vereint Schalter und Sicherungsautomat in einem kompakten Bauteil und bietet zuverlässigen Schutz für elektrische Systeme an Bord. Diese innovative Lösung ersetzt herkömmliche Schmelzsicherungen vollständig und sorgt für maximale Sicherheit sowie einfache Bedienung.
Dank der hydraulisch-magnetischen Auslösetechnik reagiert der Schalter präzise auf Überlast und Kurzschluss. Kurzzeitige Überlasten von bis zu 50 % werden problemlos toleriert – ideal für Verbraucher mit hohem Einschaltstrom. Im Falle eines Kurzschlusses löst der Schalter sofort aus und kann erst nach Behebung der Störung wieder aktiviert werden. So wird ein unbeabsichtigtes Wiedereinschalten zuverlässig verhindert.
Sein besonders kompaktes Design entspricht den Abmessungen klassischer Kippschalter und ermöglicht eine einfache Integration in bestehende Schalttafeln und Bedienpanels – perfekt für moderne Bordelektrik auf Booten und Yachten.
✔ Schalter & Sicherung in einem Bauteil
✔ Hydraulisch-magnetische Auslösung
✔ Bis 50 % kurzzeitig überlastbar
✔ Sofortige Abschaltung bei Kurzschluss
✔ Wiedereinschalten erst nach Fehlerbehebung
✔ Kein Ersatz für Schmelzsicherung nötig
✔ Kompaktes Standard-Schaltermaß
Der AIRPAX / SENSATA Kippschalter ist die perfekte Lösung für die Absicherung elektrischer Stromkreise auf Booten, Yachten und Schiffen. Er eignet sich ideal für Schalttafeln, Armaturenbretter und Stromverteilungen, wo zuverlässiger Schutz und platzsparende Installation gefragt sind.
Durch seine Fähigkeit, kurzfristige Überlasten zu tolerieren, ist er besonders geeignet für Verbraucher mit hohen Einschaltströmen wie Pumpen, Kühlsysteme, Beleuchtung oder Navigationsgeräte. Gleichzeitig sorgt die sofortige Abschaltung bei Kurzschluss für maximale Sicherheit an Bord.
Die einfache Rückstellung nach Behebung der Störung macht zusätzliche Ersatzsicherungen überflüssig und reduziert Wartungsaufwand sowie Ausfallzeiten – ein klarer Vorteil im maritimen Einsatz.
✔ Ideal für empfindliche Bordelektronik
✔ Zuverlässiger Schutz bei Lastspitzen
Technische Daten:
Maße: 17 x 34 x Tiefe 34 mm
Hals: 12,7 mm ø
Für Boote und Yachten besuchen Sie unsere Homepage www.gruendl.de
AMI / MIDI Sicherung 125 A / max. 32V DC
Blue Sea BS 5250 AMI/MIDI Sicherung 125A ist ideal für elektronische Geräte wo superflinke Sicherungen benötigt werden.
Hauptmerkmale
Superflinke Sicherungen ideal für elektronische Geräte
Klassische Leitungsschutzschalter zur Absicherung in Automobilen und LKWs
Verzinnte Steckverbinder für Korrosionsbeständigkeit
Sichtbare Anzeige bei einer durchgebrannten Sicherung
Verpackungseinheit von 2 Stück
Technische Daten
Maximale Stromaufnahme: 125A
Maximale Spannung: 32 V DC
Unterbrechungsvermögen:
5000A @ 16V DC
2000A @ 32V DC
Batterieanschlussbolzen mit Drehmomentbegrenzung: 4.52 Nm
minimale Temperatur: -40 °C
maximale Temperatur: 125 °C
Material: verzinntes Kupfer CDA 110/UNS11000
Sicherungshalter mit LED – Für sichere und sichtbare Absicherung Ihrer elektrischen Systeme
Der Sicherungshalter mit LED bietet eine fortschrittliche Lösung zum Schutz Ihrer elektrischen Systeme auf Booten, Yachten, KFZ und Wohnmobilen. Mit der innovativen LED-Anzeige können Sie schnell und einfach den Status Ihrer Standardtorpedosicherungen überwachen, ohne direkten Kontakt mit der Sicherung herstellen zu müssen. Dieser Sicherungshalter mit LED garantiert nicht nur Schutz vor Überlastungen, sondern erhöht auch die Sichtbarkeit und Sicherheit Ihrer elektrischen Installationen.
Eigenschaften des Sicherungshalters mit LED
Kompatibilität: Geeignet für Standardtorpedosicherungen, was ihn zu einer universellen Lösung für verschiedene Anwendungen macht.
LED-Anzeige: Die integrierten LEDs informieren Sie zuverlässig über den Status der Sicherung, ohne dass ein direkter Kontakt erforderlich ist.
Maximale Leistung: Der Sicherungshalter kann eine Gesamtleistung von bis zu 100 A unterstützen, wodurch er für verschiedene Anwendungen geeignet ist.
Zuverlässige Absicherung: Schützt Ihre elektrischen Systeme vor Überlastungen und Kurzschlüssen, sorgt so für eine sichere und stabile Stromversorgung an Bord oder im Fahrzeug.
Einfache Installation: Der Sicherungshalter ist benutzerfreundlich und lässt sich leicht in Ihre elektrischen Installationen integrieren.
Vorteile des Sicherungshalters mit LED
Sichtbare Kontrolle: Die LED-Anzeige zeigt Ihnen schnell an, ob eine Sicherung ausgelöst wurde, ohne dass Sie den Sicherungshalter öffnen müssen. Dies erleichtert die Fehlerbehebung und minimiert Ausfallzeiten.
Langlebigkeit und Zuverlässigkeit: Durch die robuste Konstruktion und hochwertige Materialien ist der Sicherungshalter besonders langlebig und bietet eine zuverlässige Leistung.
Hohe Leistungsfähigkeit: Mit einer maximalen Leistung von 100 A eignet sich der Sicherungshalter für eine Vielzahl von Anwendungen und sorgt für eine sichere Absicherung Ihrer Stromkreise.
Vielseitig einsetzbar: Ideal für den Einsatz in Booten, Yachten, Autos, Wohnmobilen und anderen Fahrzeugen, bei denen zuverlässiger Schutz der elektrischen Systeme erforderlich ist.
Für Boote und Yachten besuchen Sie unsere Homepage www.gruendl.de
Blue Sea MRBF Klemmensicherung – Zuverlässiger Hochstromschutz für Bordelektrik
Die Blue Sea MRBF Klemmensicherung ist die professionelle Lösung zur Absicherung von Hochstromkreisen direkt an der Batterie und erfüllt höchste Anforderungen an Sicherheit und Zuverlässigkeit im maritimen Bereich. Entwickelt für den Einsatz in anspruchsvollen Bordnetzen, schützt sie zuverlässig vor Überlast und Kurzschluss – insbesondere bei großen Batteriebänken und leistungsstarken Verbrauchern.
Diese Sicherung wird in Kombination mit passenden Klemmensicherungsblöcken wie BS5191, BS5194 oder BS5196 eingesetzt und sorgt so für eine sichere und normgerechte Installation. Wichtig: Die Sicherung darf nicht direkt an der Batterieklemme montiert werden, sondern wird über den entsprechenden Halter integriert.
Die ABYC-konforme Unterbrechungssicherheit gewährleistet optimalen Schutz des DC-Hauptkreises – ein entscheidender Faktor für moderne Bordelektrik. Zudem ist die MRBF Sicherung zündungssicher und somit ideal für den Einsatz auf benzinbetriebenen Booten geeignet.
Ein integriertes Sichtfenster ermöglicht die schnelle visuelle Kontrolle des Sicherungszustands, während die Farbcodierung eine einfache Identifikation der jeweiligen Stromstärke erlaubt.
Wichtige Produktdetails
Nur in Verbindung mit BS5191, BS5194, BS5196 verwendbar
Nicht direkt an der Batterieklemme montieren
ABYC-konforme Unterbrechungssicherheit
Zündungssicher – geeignet für Benzinmotor-Boote
Sichtfenster zur Kontrolle des Sicherungszustands
Farbcodierung je nach Stromstärke
Die Blue Sea MRBF Klemmensicherung ist speziell für den Einsatz in DC-Hauptstromkreisen auf Segelbooten, Motorbooten und Yachten konzipiert. Sie schützt empfindliche elektrische Systeme und Hochstromverbraucher wie Ankerwinden, Bugstrahlruder, Wechselrichter und Ladegeräte zuverlässig vor Schäden.
✔ Hochstromsicherung für DC-Hauptstromkreise
✔ ABYC-konform für maximale Sicherheit
✔ Zündungssicher für benzinbetriebene Boote
✔ Sichtfenster zur schnellen Statuskontrolle
✔ Farbcodiert für einfache Stromstärkenwahl
✔ Zuverlässiger Schutz bei großen Batteriebänken
✔ Ideal für professionelle Bordelektrik
Besonders bei größeren Batteriebänken sorgt die Sicherung für eine sichere Energieverteilung und normgerechte Absicherung. Durch ihre zündungssichere Ausführung eignet sie sich hervorragend für den Einsatz auf benzinbetriebenen Booten, wo höchste Sicherheitsstandards erforderlich sind.
Blue Sea Original Nummer: BS5187
Für Boote und Yachten besuchen Sie unsere Homepage www.gruendl.de
Lewmar Sicherung – Zuverlässiger Schutz für Bugstrahlruder & Ankerwinden
Die Lewmar Sicherung ist die ideale Ergänzung zum Lewmar Halter Sicherung und bietet einen zuverlässigen Schutz für Ihre Bugschrauben und Ankerwinden. Diese Sicherung wurde speziell entwickelt, um die elektrischen Systeme Ihres Bootes vor möglichen Kurzschlüssen oder Überlastungen zu schützen und so deren Lebensdauer zu verlängern.
Schutz für Ihre elektrischen Systeme
Mit der Lewmar Sicherung sorgen Sie dafür, dass Ihre Bugschrauben und Ankerwinden immer optimal abgesichert sind. Die Sicherung verhindert Schäden durch Überlastung und Kurzschluss, was besonders wichtig für die sichere Nutzung der elektrischen Komponenten auf dem Wasser ist.
Einfache Installation
Die Lewmar Sicherung lässt sich schnell und unkompliziert in den Lewmar Halter Sicherung einbauen. Sie müssen nur sicherstellen, dass die richtige Sicherung für Ihr System gewählt wird, um eine vollständige Funktionalität zu gewährleisten.
Langlebig und zuverlässig
Hergestellt aus robusten, korrosionsbeständigen Materialien, ist die Lewmar Sicherung perfekt für den Einsatz in maritimen Umgebungen geeignet. Auch unter extremen Bedingungen wie Salzwasser oder Feuchtigkeit bleibt sie zuverlässig und sorgt für den nötigen Schutz.
Vorteile der Lewmar Sicherung:
Optimale Ergänzung: Perfekt für den Einsatz mit dem Lewmar Halter Sicherung
Schutz: Verhindert Kurzschlüsse und Überlastungen
Einfache Installation: Schnell in den Halter integriert
Korrosionsbeständig: Ideal für den maritimen Einsatz
Langlebig: Garantiert zuverlässigen Schutz für lange Zeit
Fazit
Die Lewmar Sicherung ist die perfekte Wahl, um Ihre Bugschrauben und Ankerwinden zuverlässig zu schützen. In Kombination mit dem Lewmar Halter Sicherung sorgt sie für einen sicheren Betrieb Ihrer elektrischen Systeme. Wählen Sie die passende Sicherung, um maximale Sicherheit und eine lange Lebensdauer Ihrer Ausrüstung zu gewährleisten.
Jetzt die passende Sicherung bestellen und Ihre Systeme optimal absichern!
Für Boote und Yachten besuchen Sie unsere Homepage www.gruendl.de
Steck- / Flachsicherung
Wiederverwendbare Steck- / Flachsicherung – Zuverlässiger Schutz für 12 / 24 V Systeme
Die wiederverwendbare Steck- / Flachsicherung bietet eine praktische und nachhaltige Lösung für den Schutz von 12 V und 24 V Stromkreisen. Durch einfaches Drücken des Schalters am Sicherungskopf lässt sich die Sicherung nach Auslösung schnell und unkompliziert zurücksetzen. Ideal für den Einsatz in Booten, Fahrzeugen und anderen elektrischen Systemen, sorgt diese Flachstecksicherung für Sicherheit und Effizienz, ohne ständig neue Sicherungen zu benötigen.
Für Boote und Yachten besuchen Sie unsere Homepage www.gruendl.de
AIRPAX / SENSATA hydraulisch-magnetischer Kippschalter – Intelligente Absicherung für Bordnetze
Der AIRPAX / SENSATA hydraulisch-magnetische Kippschalter mit aufladbarer, automatischer Sicherung wurde speziell für die Seefahrt entwickelt und bietet eine hochzuverlässige Kombination aus Schalter und Leitungsschutz in einem Bauteil. Er schützt Bordnetze effektiv vor Überlast und Kurzschluss – ohne unnötige Abschaltungen bei kurzzeitigen Lastspitzen.
Im Unterschied zu herkömmlichen Sicherungen toleriert der hydraulisch-magnetische Mechanismus kurzzeitige Überlasten bis zu 50 % für mehrere Sekunden. Handelt es sich lediglich um eine temporäre Belastung, erreicht das System automatisch wieder die Maximalleistung, ohne den Stromkreis zu unterbrechen. Erst bei einem echten Kurzschluss springt der Schalter sicher heraus. Ein erneutes Einschalten ist erst nach Behebung der Störung möglich – ein entscheidender Sicherheitsvorteil an Bord.
Dank seiner robusten Bauweise, der hohen Schaltpräzision und der Wiederverwendbarkeit (kein Sicherungswechsel nötig) ist der Kippschalter ideal für anspruchsvolle maritime Anwendungen. Die Qualität von **AIRPAX / SENSATA steht für langlebige, vibrationsfeste Technik, die auch unter rauen Bedingungen zuverlässig arbeitet.
✔ Hydraulisch-magnetischer Schutz – seetauglich
✔ Kombinierter Schalter & Sicherung – platzsparend
✔ Kurzzeitige Überlast bis +50 % zulässig
✔ Automatische Rückstellung – ohne Stromausfall
✔ Sicherer Kurzschlussschutz – kein Wiedereinschalten
✔ Wiederverwendbar – kein Sicherungswechsel
✔ Hohe Zuverlässigkeit – vibrationsfest & langlebig
Der AIRPAX / SENSATA Kippschalter eignet sich ideal für 12-V- und 24-V-Bordnetze auf Segelbooten, Motorbooten, Yachten und Berufsschiffen. Typische Einsatzbereiche sind Schalttafeln, Verteilungen, Verbraucher mit Anlaufstrom (z. B. Pumpen, Winden, Elektronik) sowie sicherheitsrelevante Stromkreise, bei denen ein zuverlässiger Leitungsschutz unverzichtbar ist.
Technische Daten:
Bedienung mit Kippschalter
Serie IAG universal 12/220 V
Bündiger, flacher Wippschalter
Mit farbiger Anzeige in OFF-Position
Frontaleinbau in Abdeckplatte
Maße: 32 x 19 mm
Für Boote und Yachten besuchen Sie unsere Homepage www.gruendl.de