Versandkosten ab € 8,95
Ab 250 € Versandkostenfrei *
Schnelle Lieferzeit
Sichere SSL Verbindung

Fußreling aus eloxiertem Aluminium, 6 Meter

Vorfracht

239,95 €*

% 319,50 €* (24.9% gespart)
zzgl. 100,00 € Vorfracht
zzgl. 100,00 €
ACHTUNG: Artikel vom Umtausch ausgeschlossen
  • ✔ Eloxiertes Aluminium – leicht & korrosionsfest
  • ✔ Integrierte Kabelabdeckung im Profil
  • ✔ Befestigungsschiene für Relingshalter
  • ✔ Saubere Kabelführung an Bord
  • ✔ Ideal für Cockpit & Innenausbau
  • ✔ Robuste Marinequalität für Boote

Voraussichtlich verfügbar in 10 Tagen

Lieferung per Spedition

Stück
Artikelnummer: 6241001
EAN: 8033137167508

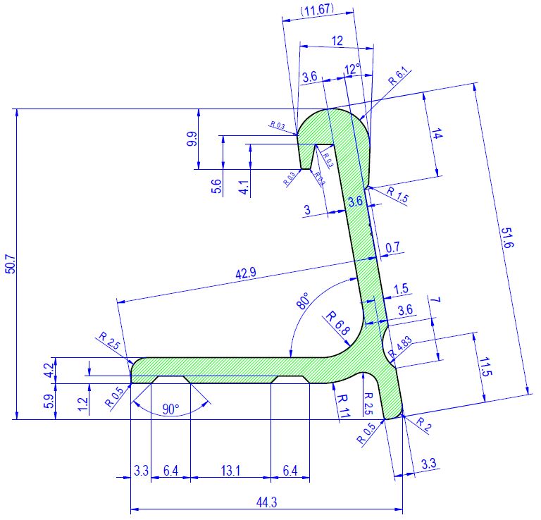
Fußreling aus eloxiertem Aluminium – Saubere Kabelführung und stabile Montage an Bord

Die Fußreling aus eloxiertem Aluminium ist eine hochwertige und funktionale Lösung für den professionellen Innen- und Außenbereich auf Schiffen und Booten. Sie vereint stabile Relingsaufnahme, integrierte Kabelführung und eine saubere, maritime Optik in einem robusten Profil. Gefertigt aus natürlichem, eloxiertem Aluminium bietet sie hohe Korrosionsbeständigkeit und eine lange Lebensdauer selbst unter anspruchsvollen Bedingungen auf See.

Durch die integrierte Kabelabdeckung lassen sich Leitungen für Beleuchtung, Navigation oder Bordelektrik sauber und geschützt verlegen. Gleichzeitig dient die integrierte Befestigungsschiene zur sicheren Montage von Relingshaltern, Beschlägen oder weiteren Ausstattungen entlang der Bordwand oder im Cockpitbereich.

Das eloxierte Aluminiumprofil ist leicht, stabil und unempfindlich gegenüber Feuchtigkeit und salzhaltiger Luft. Es eignet sich ideal für moderne Boots- und Yachtausbauten, bei denen Funktionalität, Ordnung und ein hochwertiges Erscheinungsbild im Vordergrund stehen.

Die Fußreling ist sowohl für Neubauten als auch für Nachrüstungen geeignet und sorgt für eine strukturierte, sichere Installation von Relingselementen und Kabeln an Bord.

  • ✔ Eloxiertes Aluminium – leicht & korrosionsfest
  • ✔ Integrierte Kabelabdeckung im Profil
  • ✔ Befestigungsschiene für Relingshalter
  • ✔ Saubere Kabelführung an Bord
  • ✔ Ideal für Cockpit & Innenausbau
  • ✔ Robuste Marinequalität für Boote

Die Fußreling wird entlang der Bordwand, im Cockpit oder im Innenbereich von Segelbooten, Motorbooten und Yachten montiert. Sie dient als stabile Basis für Relingshalterungen und ermöglicht gleichzeitig eine verdeckte Kabelführung für Bordelektrik oder Beleuchtung. Ideal für Neuinstallationen oder zur Nachrüstung moderner Boots- und Yachtausstattungen.

Technische Daten:

  • Basis 44 mm
  • Innenhöhe: 52 mm
  • Winkel 80°

Lippklampen können optional bestellt werden.


Für Boote und Yachten besuchen Sie unsere Homepage www.gruendl.de

Hersteller "Osculati"

📧 E-Mail: support@osculati.it
📍 Kontakt: Via Pacinotti, 12 | 20054 - Segrate (MI)



Osculati – Europas führender Anbieter für Bootszubehör und maritime Ausrüstung


Osculati zählt zu den bedeutendsten Marken im europäischen Wassersport und steht für ein außergewöhnlich breites Sortiment, hohe Verfügbarkeit und zuverlässige Qualität. Das italienische Unternehmen bietet Lösungen für nahezu alle Bereiche an Bord – von technischer Ausrüstung bis hin zu Komfort- und Sicherheitsprodukten. Ob Freizeitkapitän oder Profi: Osculati ist ein starker Partner für die komplette Bootsausstattung.

Umfangreiches Sortiment für jede Anwendung an Bord
Mit über 20.000 Artikeln gehört Osculati zu den größten Anbietern für Bootsbedarf in Europa. Das Sortiment reicht von Decksbeschlägen, Ankern und Festmachersystemen über Elektrik und Beleuchtung bis hin zu Sicherheitsausrüstung und praktischem Zubehör. Damit finden Bootsbesitzer für nahezu jede Anforderung die passende Lösung – alles aus einer Hand.

Hohe Verfügbarkeit und schnelle Lieferfähigkeit
Ein besonderer Vorteil von Osculati ist die außergewöhnlich hohe Warenverfügbarkeit. Dank eines der größten Lager für Bootszubehör in Europa sind die meisten Produkte kurzfristig verfügbar. Das sorgt für Planungssicherheit und schnelle Umsetzung von Projekten – besonders wichtig im saisonabhängigen Wassersport.

Eigenentwicklungen und starke Markenvielfalt
Neben dem Vertrieb internationaler Marken entwickelt und produziert Osculati auch zahlreiche eigene Produkte. Diese Eigenentwicklungen überzeugen durch durchdachte Funktionen, moderne Technik und ein attraktives Preis-Leistungs-Verhältnis. Gleichzeitig profitieren Kunden von einer großen Auswahl an etablierten Marken, die das Sortiment sinnvoll ergänzen.

Qualität und Innovation für den maritimen Einsatz
Osculati steht für langlebige Produkte, die speziell für den Einsatz auf dem Wasser entwickelt wurden. Funktionalität, Sicherheit und einfache Handhabung stehen dabei im Mittelpunkt. Durch kontinuierliche Weiterentwicklung und praxisnahe Lösungen erfüllt die Marke die hohen Anforderungen von Bootsfahrern weltweit.

Osculati im GRÜNDL Zubehörshop
Im GRÜNDL Zubehörshop finden Sie eine große Auswahl an Osculati Produkten für Ihre Bootsausrüstung. Entdecken Sie zuverlässiges Zubehör, innovative Lösungen und eine enorme Produktvielfalt – ideal für Wartung, Nachrüstung und Komfort an Bord.

0 von 0 Bewertungen

Bewerten Sie dieses Produkt!

Teilen Sie Ihre Erfahrungen mit anderen Kunden.


Weitere Produkte von +++ Osculati +++ ansehen

Osculati
📧 E-Mail: support@osculati.it📍 Kontakt: Via Pacinotti, 12 | 20054 - Segrate (MI)Osculati – Europas führender Anbieter für Bootszubehör und maritime Ausrüstung Osculati zählt zu den bedeutendsten Marken im europäischen Wassersport und steht für ein außergewöhnlich breites Sortiment, hohe Verfügbarkeit und zuverlässige Qualität. Das italienische Unternehmen bietet Lösungen für nahezu alle Bereiche an Bord – von technischer Ausrüstung bis hin zu Komfort- und Sicherheitsprodukten. Ob Freizeitkapitän oder Profi: Osculati ist ein starker Partner für die komplette Bootsausstattung. Umfangreiches Sortiment für jede Anwendung an Bord Mit über 20.000 Artikeln gehört Osculati zu den größten Anbietern für Bootsbedarf in Europa. Das Sortiment reicht von Decksbeschlägen, Ankern und Festmachersystemen über Elektrik und Beleuchtung bis hin zu Sicherheitsausrüstung und praktischem Zubehör. Damit finden Bootsbesitzer für nahezu jede Anforderung die passende Lösung – alles aus einer Hand. Hohe Verfügbarkeit und schnelle Lieferfähigkeit Ein besonderer Vorteil von Osculati ist die außergewöhnlich hohe Warenverfügbarkeit. Dank eines der größten Lager für Bootszubehör in Europa sind die meisten Produkte kurzfristig verfügbar. Das sorgt für Planungssicherheit und schnelle Umsetzung von Projekten – besonders wichtig im saisonabhängigen Wassersport. Eigenentwicklungen und starke Markenvielfalt Neben dem Vertrieb internationaler Marken entwickelt und produziert Osculati auch zahlreiche eigene Produkte. Diese Eigenentwicklungen überzeugen durch durchdachte Funktionen, moderne Technik und ein attraktives Preis-Leistungs-Verhältnis. Gleichzeitig profitieren Kunden von einer großen Auswahl an etablierten Marken, die das Sortiment sinnvoll ergänzen. Qualität und Innovation für den maritimen Einsatz Osculati steht für langlebige Produkte, die speziell für den Einsatz auf dem Wasser entwickelt wurden. Funktionalität, Sicherheit und einfache Handhabung stehen dabei im Mittelpunkt. Durch kontinuierliche Weiterentwicklung und praxisnahe Lösungen erfüllt die Marke die hohen Anforderungen von Bootsfahrern weltweit. Osculati im GRÜNDL Zubehörshop Im GRÜNDL Zubehörshop finden Sie eine große Auswahl an Osculati Produkten für Ihre Bootsausrüstung. Entdecken Sie zuverlässiges Zubehör, innovative Lösungen und eine enorme Produktvielfalt – ideal für Wartung, Nachrüstung und Komfort an Bord.
Neu
%
Abnehmbarer und demontierbarer Einsteigehilfe-Stab

154,95 €* 214,50 €* (27.76% gespart)
%
Augterminal Edelstahl für 8 mmØ Draht

9,95 €* 13,56 €* (26.62% gespart)
%
Augterminal Edelstahl für 6 mmØ Draht

9,95 €* 11,98 €* (16.94% gespart)
%
Columbus Schutzhülle für Relingendstücke mit Spannern, 550 mm

Varianten ab 14,95 €*
16,95 €* 17,95 €* (5.57% gespart)
%
Duplex Drahtklemmen Edelstahl für Draht / Tauwerk bis 6 mmØ

Varianten ab 0,75 €*
2,25 €* 2,93 €* (23.21% gespart)
%
Duplex Drahtklemmen Edelstahl für Draht / Tauwerk bis 8 mmØ

Varianten ab 0,75 €*
2,95 €* 4,54 €* (35.02% gespart)
%
Edehlstahl Relingsbeschlag mit Auge, 22 mmØ

10,95 €* 15,19 €* (27.91% gespart)
%
Edehlstahl Relingsbeschlag mit Auge, 25 mmØ

Varianten ab 10,95 €*
11,95 €* 16,04 €* (25.5% gespart)
%
Edelstahl 3-Wege Relingsverbindung 60°, Rohr 25 mmØ

Varianten ab 9,95 €*
11,95 €* 17,51 €* (31.75% gespart)

Passendes Zubehör

Neu
Lippklampe mit Rollen für Fußleiste,
Ausführung

Varianten ab 79,95 €*
0,00 €*
Details
Details
Barrierefreiheit